Vertical Garden Wall

About the Author - Sara Bendrick
Licensed landscape contractor, author and TV personality, Sara Bendrick, is best known for her work as the host of I Hate My Yard where she tackles the tough yards of homeowners and shows them the possibilities that exist for their exterior spaces. Sara shares her passion for improving spaces through landscape design by serving as an expert source of information and tips for STIHL customers and homeowners.
Level: Beginner–Intermediate
Cost: $$$
Time Commitment: 1-2 days
Professionals Needed: None
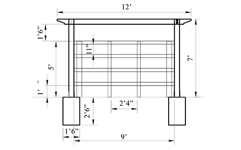
Dimensions: 11' × 9"
Pocket vertical garden bags are one of my favorite methods for a green wall because it is simple and effective. I helped my buddy Navid Mostatabi (Envision Landscape Architecture) with this project for his client, who wanted a nice focal point from his window along the narrow side of his home. The wooden support that Navid created is beautiful and has a low profile, making it great for a tight space.
While this system is set for drip irrigation, you can also hand water if you don’t have an irrigation system to tie into. Because these pockets hold only a little soil, the plants can dry out more rapidly than when they are in the ground, so make sure you can hand water two or three times a week or so during the warmer seasons. Also expect to edit and change out plants as needed for the different seasons because some plants will outgrow the pockets.

- String line
- Wheelbarrow
- Auger or Shovel
- Circular saw
- 3'–6' level
- Drill and ½" × 10" drill bit
- Garden gloves
- Trowel
- Level
- Hand Tools
- Two 6" × 6" metal post bases
- Two 2" × 6" × 12' cedar boards with detail cuts on ends 1"
from the bottom, 1½" from the top and 8" in from the edge - Four 2" × 4" × 10' cedar boards cut to 9’ each
- Two 6" × 6" × 8' cedar pressure-treated boards
- One 2" × 6" × 12' cut to make two 5' pieces
- One 2" × 4" × 12' cut to make two 5' pieces
- Four 4½" × 10" lag bolts Four 4½" × 1½" diameter washers
- Sixteen 50-lb bags of concrete
- One 1-lb box of 2½" screws
- Three 5-pocket fabric garden pockets
(I recommend WoollyPockets) - 12 fasteners (provided in kit)
- Four 2-cubic-foot bags of potting soil
- Fifteen 1-gallon plants
- ¼" spaghetti drip tubing (optional)
Let's Get Started Building
Build the structure and attach the bags: This support structure is simple and sleek; built out of 6 × 6-inch posts and 2 × 6-inch and 2 × 4-inch stringers, it offers the perfect area to attach garden pockets. Here is how this was built.
Set the brackets: Dig two 30-inch-deep 18 × 18-inch holes; mix and pour concrete. Call 811 before you dig. Set the post bases while the concrete is wet and use a string line to make sure the posts are in line with each other. Wait 24 hours and then set your 6×6 posts in the bases with 2.5" screws.
Using a STIHL auger can help you make quick work of digging by creating holes consistently and efficiently.
Build the frame: Cut the 8-foot posts down to 7 feet with a circular saw and then attach the two 12-foot 2 × 6-inch boards to the top with the lag bolts and washers. Use a drill bit first to predrill your holes. Start attaching one side, then use a level before attaching the other side.
Attach the runners: Attach the 9-foot boards between the 6 × 6-inch posts. The first runner starts 18 inches down from the top and is attached with 2½-inch screws toenailed in from the top and the bottom. The next row starts 11 inches below the first so that the pockets will overlap when installed (they will be 13 inches from grommet to grommet). Repeat to attach the other two runners.
Add support: Since these pockets will be heavy when filled with soil, they can start pulling the runners down. To prevent sagging, add four support boards: two 5-foot-long 2 × 6-inch boards spaced about 3 inches in from the post and two 5-foot-long 2 × 4-inch boards spaced about 2 feet apart on the inside, running perpendicular across the back. These support boards attach to the pressure-treated runner that is attached to the fence (or attached to the structure if you aren’t placing it against a fence). Secure each runner to the support boards with 2½-inch screws.
Attach the pockets: The grommets are spaced every 22 inches on the bags. Measure 1 inch down from the top of the first runner and predrill the holes, then add the screws and attach the grommets.
You can build a similar structure or create something unique of your own. We used three five-pocket units that hold about 2 cubic feet of soil and are 15 inches tall and 112 inches wide. You can customize your wall to the pocket sizes or buy individual pockets as needed to fit the space. Hang the bag by slipping the grommets onto the screws.

Select and lay out the plants: Your plant selection will vary greatly on whether you have full sun, part sun or no sun. It is best to choose a variety of plants that grow upright and cascade down so you can cover the bags above and the bags below. You can choose plants of all sizes. This style of gardening requires regular pruning as it grows in. Place the plants in the pockets to find a layout that you like and adjust as needed.
Add the soil: Fill the pockets about halfway with potting soil.


Run the irrigation (optional): These pockets have a sleeve sewn into the top of the bags for spaghetti drip tubing to run through. Having this option in a vertical garden is great because these can dry out and heat up a lot quicker than plants in the ground. If you have an irrigation system already, you can connect your drip lines to this with some adaptations. There are also kits that you can purchase that hook up to a hose bib for an easier installation.
Enjoy this beautiful backdrop for years to come, and add and remove plants as needed to keep it looking fresh.
Reprinted with permission from Big Impact Landscaping by Sara Bendrick, Page Street Publishing Co. 2017. Photo credit: Joe Dodd.